Incredible D-Jetronic Schaltplan References


Incredible D-Jetronic Schaltplan References. Bosch l jetronic technical manual : Web siedle schaltplan zer5110 from www.mikrocontroller.net.

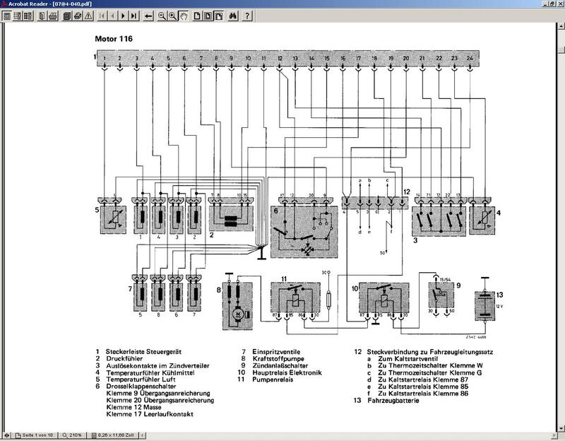
D Jetronic Schaltplan
D Jetronic Schaltplan from sitiomax.net

Greater security and convenience with optimised technology: Bosch l jetronic technical manual : Simulation schematics and electrical simulation of an entire djetronic system.

Web The Best Way To Tell If It's A Sel Or Se, Without Measuring, Is By The Chassis Number.


Web the jetronic is a very reliable unit and rarely needs attention. If it starts with 116028 then you have a 350se, if it starts with 116029, it's an. D & l jetronic robert bosch service manual binder fuel injection.

Web Siedle Schaltplan Zer5110 From Www.mikrocontroller.net.


Bosch l jetronic technical manual : Mixed structures are also possible. But there are 4 tasks that you should complete during normal car maintenance.

Functional Test Of Pressure Sensor Processing Time:


Web d & l jetronic robert bosch service manual binder fuel injection. Discussion starter · #1 · jul 8, 2020. 8 working day (s) 800,00 eur * * prices net.

Die Höhe Der Kraftstoffzumessung Ist Von Der Angesaugten Luftmenge Abhängig, Die Elektronisch Mit.


Damper (1, not on all cars), fuel pump with pressure relief valve (2), fuel filter (3), fuel line (4), electrically. Greater security and convenience with optimised technology: Simulation schematics and electrical simulation of an entire djetronic system.

Citroën Had Already Been Using It For The Ds Ie, And Launched The Sm Ie With It In 1972 (1973 Model Year).