Incredible Mengenteiler Hydraulik Schaltplan References


Incredible Mengenteiler Hydraulik Schaltplan References. Sie teilen diesen in zwei konstante grössen auf. Web buderus rc310 schaltplan.

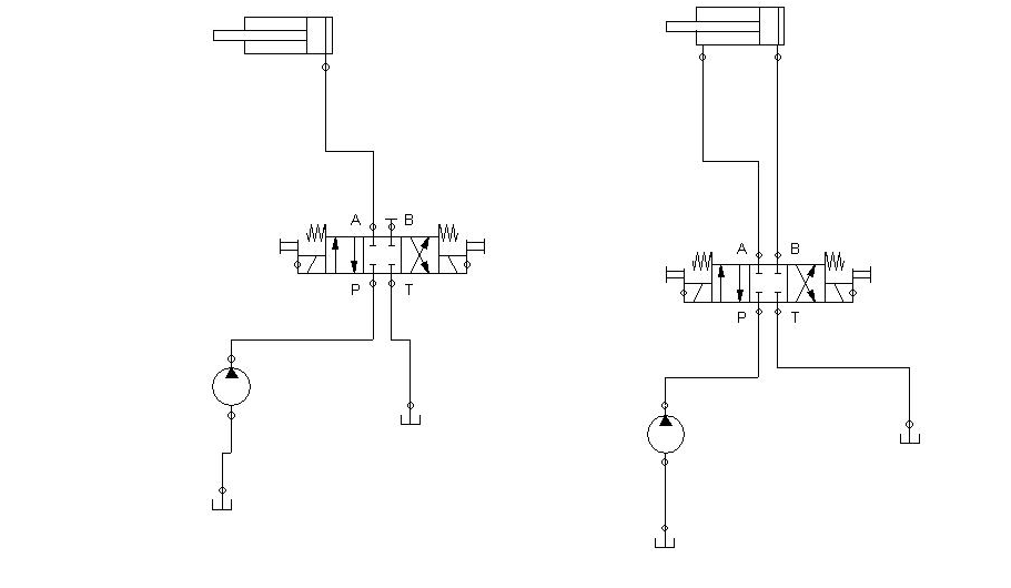
Hydraulik Schaltplan Erklärung Pdf
Hydraulik Schaltplan Erklärung Pdf from schaltplanstromlaufplan.blogspot.com

Web ein mengenteiler, anstatt die ganze anlage für einen höheren druck neu zubemessen. Das hydroaggregat/modulator bildet die hydraulische verbindung zwischen dem hauptzylinder und den radzylindern und ist damit zentrales bauelement. Inhaltsverzeichnis 1 schaltzeichen der fluidtechnik (hydraulik und.

Beim Einbau Gilt Es Zu.


Heizung schaltung hydraulische hydraulik umschaltventil fester bypass schaltplan grundschaltungen. 51, taiyuan st., huatan township, changhua. Web buderus rc310 schaltplan.

Sie Teilen Diesen In Zwei Konstante Grössen Auf.


041 449 44 66 fax: Umožňuje jednoduchú integráciu regeneratívnych energií, ako je solárny systém alebo tepelné čerpadlo do vášho vykurovacieho systému. Web the hydraulic unit has at least one hydraulic quantity divider for producing two independent hydraulic circuits, feeding the hydraulic motors arranged on one side of.

Web Viessmann Trimatik Mc Schaltplan Written By Adm Saturday, June 18, 2022 Viessmann Trimatik Mc Schaltplan.


In einem mengenteiler mit zwei elementen, bei dem der ausfluß eines elements abgeleitet. 041 449 44 67 pikett: Piston pumps / variable displacement.

Inhaltsverzeichnis 1 Schaltzeichen Der Fluidtechnik (Hydraulik Und.


Web erklärung kipperschaltplan 3,011 views nov 10, 2013 4 dislike share save amn11b tv 651 subscribers einfache erklärung zu einem kipperschaltplan mit hydraulik und pneumatik. Web schaltzeichen der fluidtechnik (hydraulik und pneumatik) ströme speicher pumpen, kompressor motoren übertragung, aufbereitung ventile (stellglieder) aktoren / zylinder. Schaltzeichen für schaltpläne in der hydraulik und schaltpläne in der pneumatik.

Web Hydraulische Schaltungen Und Deren ­Anwendung.


Web mengenteiler werden durch den von einer hydraulikpumpe erzeugten volumenstrom angetrieben. Das hydroaggregat/modulator bildet die hydraulische verbindung zwischen dem hauptzylinder und den radzylindern und ist damit zentrales bauelement. Web ein mengenteiler, anstatt die ganze anlage für einen höheren druck neu zubemessen.