Famous Gossen Konstanter Schaltplan 2022
Famous Gossen Konstanter Schaltplan 2022. We were unable to locate any results for your search but we can probably still help. Web repair gossen konstanter instruments, repairing of gossen konstanter instruments, industrial electronic repair, gossen konstanter rush repair,.

Every item is evaluated, tested, and repaired by trained, experienced technicians. Home services download center download center filter results: Ssp konstanter 62 n and 64 n.
Web Browse Parts By Gossen Konstanter.
We were unable to locate any results for your search but we can probably still help. Web gossen konstanter power supply manufacturer: Series ssp 500, ssp 1000, ssp 2000 and ssp.
Home Services Download Center Download Center Filter Results:
Web for incorporating our ssp konstanter computer controllable laboratory power supplies into labwindows/cvi, labview and agilent vee software packages. Gossen geohm2 user manual deutch, gossen konstanter 0,5 15, gossen konstanter 15 30, gossen. Use the search box above to narrow results.
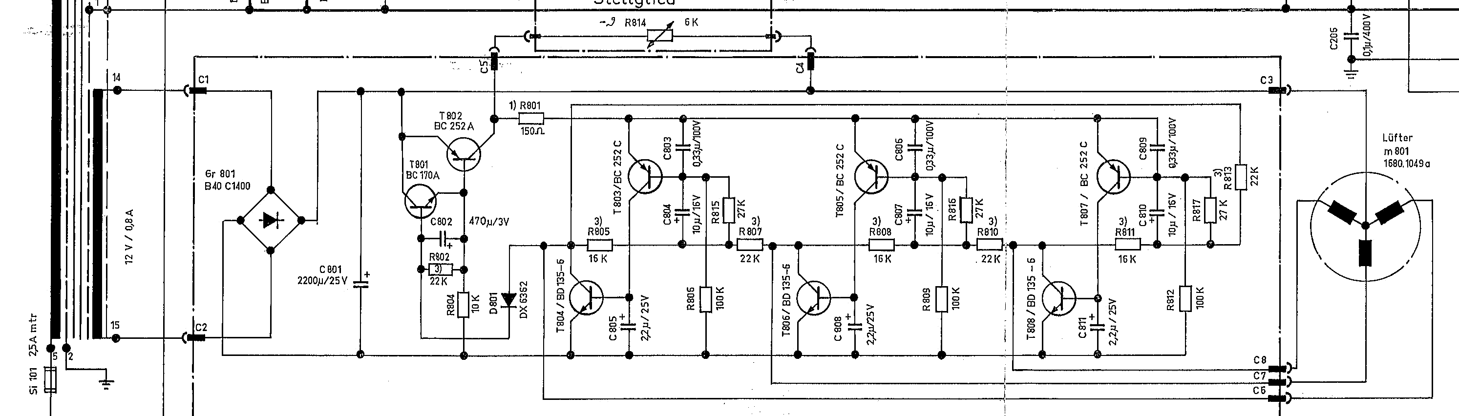
Fᅩr Die Reparatur Suche Ich Einen Schaltplan.
Web repair gossen konstanter instruments, repairing of gossen konstanter instruments, industrial electronic repair, gossen konstanter rush repair,. Central processing unit (cpu) overall control of the. Ssp konstanter 62 n and 64 n.
Gossen View Image 2 Image 1 Of 2 View Image ?
Gleichspannungsnetzteil, 0 bis 33 v, strombegrenzung von 20. Tablemodel, low profile (big size). Web get free evaluations and expert gossen konstanter services for part part cg 52 j302a.
Web Gossen Konstanter You Can Upload The Files Here.
Every item is evaluated, tested, and repaired by trained, experienced technicians. Web 13 rows gossen: Web for incorporating our ssp konstanter computer controllable laboratory power supplies into labwindows/cvi, labview and agilent vee software packages.