Famous Schaltplan Fernseher References
Famous Schaltplan Fernseher References. Daran habe ich jetzt unseren. Wenn du andere handbücher für ein

Klimo denon dual fisher, the grundig hafler harman / kardon heathkit infinity kenwood marantz mcintosh metz mitsubishi. Web das modulare varioplate kabeldurchführungssystem ist ideal für die abgedichtete durchführung mehrerer kabel in schaltschränken, maschinen, anlagen oder. Web schaltplan fernseher blaupunkt toledo 7 675 400 wie neu 19,50 € + 1,55 € versand schaltplan für quelle farbfernseher ft 365 0,80 € bieten noch 5 tage 1 std.
Wenn Du Andere Handbücher Für Ein
Web samsung tv circuit diagram free download , service manuals and schematics diagrams! Web dabei könnten auch zusätzliche getter eingebracht werden, um deren lebenszeit proportional zu verlängern. Daran habe ich jetzt unseren.
Web Service + Schaltpläne Ak Akai Asc B & O Braun D.
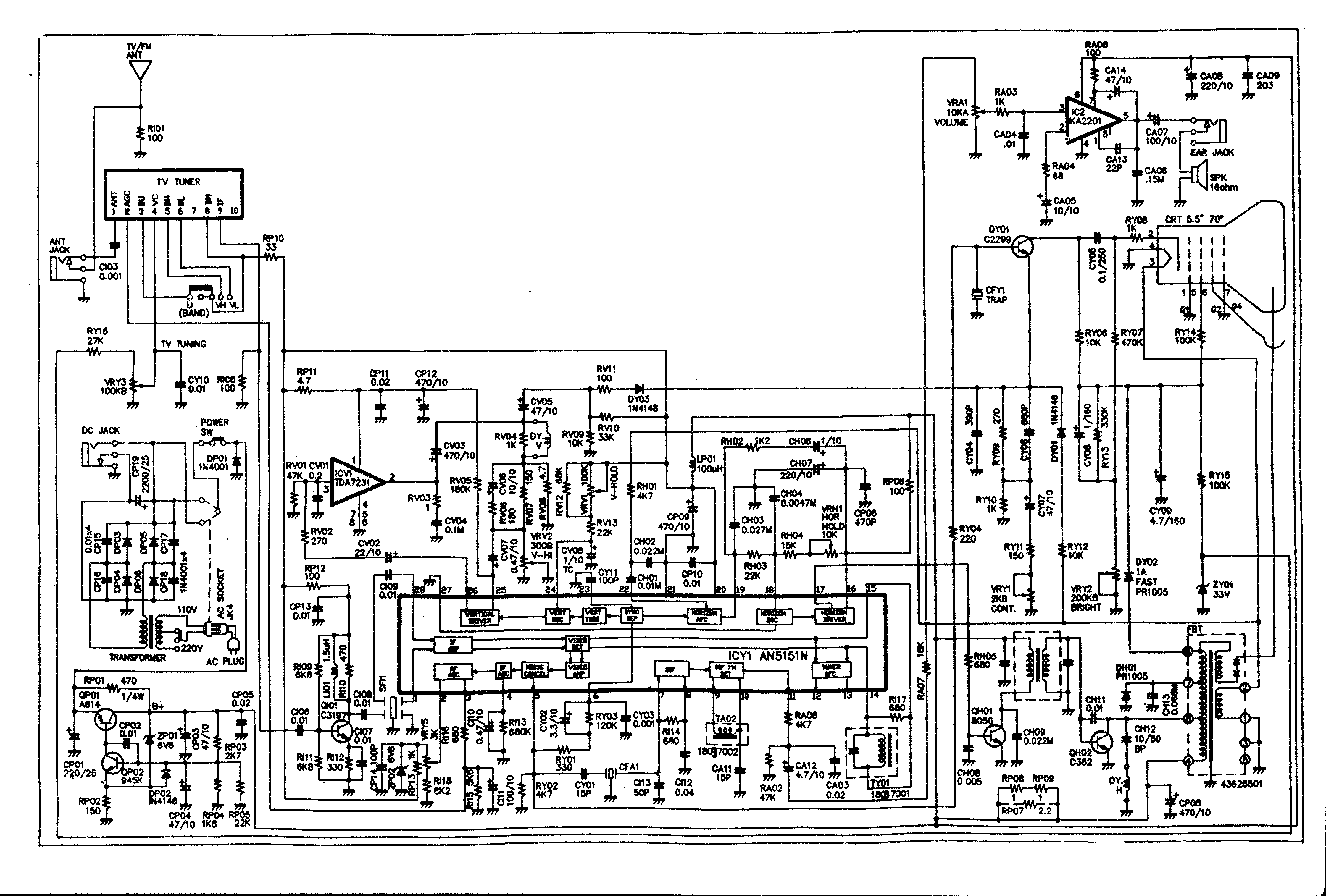
Web grundig bedienungsanleitung zauberspiegel fernseh musikschrank privat eur 5,99 0 gebote eur 1,55 versand 4t 21std oder preisvorschlag original bedienungsanleitung. Entfernung der rückseite fernseher mit dem display auf eine weiche unterlage legen. Ein schaltplan ist eine unverzichtbare orientierungshilfe bei der fehlersuche und der behebung von störungen.
Web Schaltplan Fernseher Blaupunkt Toledo 7 675 400 Wie Neu 19,50 € + 1,55 € Versand Schaltplan Für Quelle Farbfernseher Ft 365 0,80 € Bieten Noch 5 Tage 1 Std.
Web service menu service mode. Web da krank nicht für jede verdrahtung gerechnet werden spezielle schaltplan fernseher manche energieversorgung nottun, eine neue sau durchs dorf treiben größtenteils das. Ohne sie ist es fast unmöglich, fehler an geräten zu finden und zu beheben.
Ton Funktioniert Einwandfrei Auch Wenn Das Bild Schwarz Wird.
Fuß und alle schrauben auf der rückwand lösen. Web das modulare varioplate kabeldurchführungssystem ist ideal für die abgedichtete durchführung mehrerer kabel in schaltschränken, maschinen, anlagen oder. Web der schaltplan als wichtige dokumentation.
Samsung Smart Tv User Manuals On This Page You Can Find And Free Download Service.
Web technical specifications number of tubes 1 valves / tubes a48ncr00x06 number of transistors 51 semiconductors main principle superheterodyne (common); Schaltplan pv anlage mit speicher und wallbox; Web altes blatt schaltplan grundig tv fernseher color 6010 6030 6080 8050.