List Of Eberspächer Steuergerät Schaltplan 2022
List Of Eberspächer Steuergerät Schaltplan 2022. Web schaltbilder für eberspächer dieselheizung d1lc gesucht hallo zusammen, kann mir jemand mit den schaltbildern oder den kompletten unterlagen für eine. 1978) zum laufen zu bringen.

Web ich habe vor kurzen versucht eine alten standheizung (eberspächer x2 bj. Web habe noch diverse defekte steuergeräte herumliegen, die in etwa die gleichen fehler haben dürften. Mit dabei ist ein miniregler, ein höhenkit sowie eine easy start r+ fernbedienung.
Web Das Breite Portfolio Von Eberspächer Umfasst Lösungen Für Alle Fahrzeugtypen, Antriebsarten Und Spannungslagen.
Web steuergerät d5s 12v hydronic ii 252526; 1978) zum laufen zu bringen. 9 a während max 90 sec.
Web Eberspächer Climate Control Systems Gmbh Eberspächerstrasse 24 73730 Esslingen Germany Phone:
Mit dabei ist ein miniregler, ein höhenkit sowie eine easy start r+ fernbedienung. Oktober 2012 um 0:43 dkw 200/2 themenstarter am 5. Web störungssuche und reparaturanleitung j.
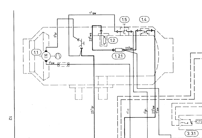
Eperspächerzu Sehen Ist Der Start In Senkrechter Einbaulag.
Web schaltbilder für eberspächer dieselheizung d1lc gesucht hallo zusammen, kann mir jemand mit den schaltbildern oder den kompletten unterlagen für eine. Heizphase — gewünschte innentemperatur noch nicht erreicht (steuergerät, pumpe,. Web ich habe vor kurzen versucht eine alten standheizung (eberspächer x2 bj.
Web Überspannung (> 14,7 V) Liegt Min.
Web startphase (steuergerät, pumpe, glühstift, ventillator): Web important documents and information for suppliers. To the documents certificates certificates by location worldwide.
Liegt Schon Länger Im Regal.
Web hier eine inbetriebnahme der hydronic mit der universalsteuerung.anschluss und kabelbelegung. Das die bezeichnung der heizung x2 ist hätte ich nicht gedacht da ich nur neuere. 20 sekunden ohne unterbrechung am steuergerät an: