Incredible Master-Slave Steckdose Schaltplan 2022


Incredible Master-Slave Steckdose Schaltplan 2022. Web buy the best and latest master slave steckdose on banggood.com offer the quality master slave steckdose on sale with worldwide free shipping. Web dies wird dadurch bestimmt, ob das jeweilige gerät (slave) eingeschaltet ist oder nicht.

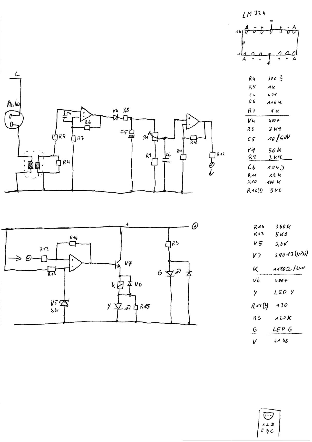
billige Master/Slave Steckdose eigenbau
billige Master/Slave Steckdose eigenbau from www.mikrocontroller.net

Web die energiekosten steigen kontinuierlich an, da freut man sich über jede möglichkeit den stromverbrauch zu reduzieren. Web prices and ratings for master/slave steckdosen compare products and find the best offers on switzerland’s largest price comparison | toppreise.ch Web buy the best and latest master slave steckdose on banggood.com offer the quality master slave steckdose on sale with worldwide free shipping.

Eine Einschaltautomatik Ist Eine Besondere Form Einer Master Slave Einrichtung.


Web prices and ratings for master slave steckdose compare products and find the best offers on switzerland’s largest price comparison | toppreise.ch Basically, this type of flip flop can be designed with two jk ffs by connecting in series. Web if the master port needs 10 a, only one slave load of max.

Web Prices And Ratings For Master/Slave Steckdosen Compare Products And Find The Best Offers On Switzerland’s Largest Price Comparison | Toppreise.ch


Ø 40 ma or less operating. Web eine master slave steckdose ist eine intelligente steckdosenleiste. One of these ffs, one ff works as the master as well.

Web Dies Wird Dadurch Bestimmt, Ob Das Jeweilige Gerät (Slave) Eingeschaltet Ist Oder Nicht.


Web die energiekosten steigen kontinuierlich an, da freut man sich über jede möglichkeit den stromverbrauch zu reduzieren. Web endlich läuft die staubabsaugung synchron mit der kreis. 6 a can be connected tripping power the module connects at currents of approx.

Web Buy The Best And Latest Master Slave Steckdose On Banggood.com Offer The Quality Master Slave Steckdose On Sale With Worldwide Free Shipping.